Форумы на www.gaz21.ru: Провал в самом начале открытия заслонки на К124 - Форумы на www.gaz21.ru

Перейти к содержимому

  • (9 Страниц)
  • +
  • « Первая
  • 2
  • 3
  • 4
  • 5
  • 6
  • Последняя »
  • Вы не можете создать новую тему
  • Вы не можете ответить в тему

Провал в самом начале открытия заслонки на К124 Оценка: -----

#61 Пользователь офлайн   ganstown Иконка

  • Верховный шаман :)
  • PipPipPipPipPip
  • Группа: Пользователи
  • Сообщений: 2 470
  • Регистрация: 17 Июль 13
  • Поблагодарили: 0
  • Пол:Мужчина
  • Город:Тюмень
  • Настоящее имя:Денис
  • Автомобиль:Газ 21Р
  • Возраст:37
  • Отношение к аутентичности:Незначительные изменения

Отправлено 30 Сентябрь 2013 - 21:03

прокладки то подходят, мне просто интересно какая суть этих двух отверстий? для чего нужно сообщение с такой же полостью в средней части карба если в этой полости нет никаких отверстий и каналов. так то суть нижней полости просто передача разряжения от задросельного пространства к трубке вакуммного регулятора а это прокладка без дырок тоже выпонит. на фото видно

Прикрепленные изображения

  • Прикрепленное изображение

Сообщение отредактировал ganstown: 30 Сентябрь 2013 - 21:13


#62 Пользователь офлайн   ganstown Иконка

  • Верховный шаман :)
  • PipPipPipPipPip
  • Группа: Пользователи
  • Сообщений: 2 470
  • Регистрация: 17 Июль 13
  • Поблагодарили: 0
  • Пол:Мужчина
  • Город:Тюмень
  • Настоящее имя:Денис
  • Автомобиль:Газ 21Р
  • Возраст:37
  • Отношение к аутентичности:Незначительные изменения

Отправлено 30 Сентябрь 2013 - 22:01

еще вопросик назрел, под фильтром как оказалось отсутствует прокладка, от чего то другого по форме может подходит?

#63 Пользователь офлайн   ganstown Иконка

  • Верховный шаман :)
  • PipPipPipPipPip
  • Группа: Пользователи
  • Сообщений: 2 470
  • Регистрация: 17 Июль 13
  • Поблагодарили: 0
  • Пол:Мужчина
  • Город:Тюмень
  • Настоящее имя:Денис
  • Автомобиль:Газ 21Р
  • Возраст:37
  • Отношение к аутентичности:Незначительные изменения

Отправлено 01 Октябрь 2013 - 20:10

в общем прокладку между фильтром и карбом изготовил из уазовской старого образца та что под 131й карб. обрезал её нижнюю часть(укоротил по высоте), а также сбоку верхнюю часть она ввиде грибка так вот убрал этот грибок и вуаля прокладка для газ 21 как родная цена вопроса 60 руб и в каждом уазовском магазине.
Провал вроде как поборол, во всяком случае его нет когда газую на нейтрали, идут дожди поэтому выехать с гаража пока не могу, но на нейтрали он раньше был а сейчас нет, на всякий случай уменьшил воздушный жиклер хх, стоял 340 поставил 290 как во всех инстанциях, что я нашел в интернете. Промыл полностью фильтр, ободрал его щеткой на дрели и задул с баллона, теперь как новый.
Т.к у меня клапанная крышка от уаза да еще без крепления фильтра, в общем там есть выштамповка под гайку, на её место приварил болтик на 8, также зачистил щеткой на дрели и покрасил с баллона, тоже как нулячая, осталось сделать планку и можно вогружать всё это дело на машину. К стати какая длина должна быть у пусковой рукоятки? в магазине есть 2х видов: короткая у которой длина прямой части 50 см-она будет коротковата ведь у нас надо около 65см, наверно длинную и буду брать ато блин колено для настройки зажигания и клапанов ключем на храповике тыркаться не удобно уж больно

#64 Пользователь офлайн   TOshnik Иконка

  • слесарь,просто слесарь
  • PipPipPipPipPip
  • Группа: Пользователи
  • Сообщений: 1 210
  • Регистрация: 08 Март 10
  • Поблагодарили: 0
  • Пол:Мужчина
  • Город:Курган
  • Настоящее имя:Александр
  • Автомобиль:М21А 1957г такси. М21В 1958г "переходка"
  • Телефон:+79080097756
  • Возраст:42
  • Отношение к аутентичности:Стремлюсь к 100% оригиналу

Отправлено 02 Октябрь 2013 - 05:34

Замер показал,длинна рукоятки с маркировкой АИ 63см.

#65 Пользователь офлайн   ganstown Иконка

  • Верховный шаман :)
  • PipPipPipPipPip
  • Группа: Пользователи
  • Сообщений: 2 470
  • Регистрация: 17 Июль 13
  • Поблагодарили: 0
  • Пол:Мужчина
  • Город:Тюмень
  • Настоящее имя:Денис
  • Автомобиль:Газ 21Р
  • Возраст:37
  • Отношение к аутентичности:Незначительные изменения

Отправлено 02 Октябрь 2013 - 13:44

Спасибо Александр, выходят оба уазовских не подходят, один от 469го 51см а от буханки около метра прямая часть, если не найду 63-70 см то буду пилить буханкин

#66 Пользователь офлайн   ganstown Иконка

  • Верховный шаман :)
  • PipPipPipPipPip
  • Группа: Пользователи
  • Сообщений: 2 470
  • Регистрация: 17 Июль 13
  • Поблагодарили: 0
  • Пол:Мужчина
  • Город:Тюмень
  • Настоящее имя:Денис
  • Автомобиль:Газ 21Р
  • Возраст:37
  • Отношение к аутентичности:Незначительные изменения

Отправлено 02 Октябрь 2013 - 14:58

Заканчивая (надеюсь)тему с карбом, отмыл, промыл и ободрал до металла корпус воздушного фильтра и задул с баллонов, заодно и клапанную
получилось даже лучше чем с завода, ща буду ставить и заливать масло

Прикрепленные изображения

  • Прикрепленное изображение
  • Прикрепленное изображение
  • Прикрепленное изображение


#67 Пользователь офлайн   BolshoyBrat Иконка

  • Постоянный участник
  • PipPipPip
  • Группа: Пользователи
  • Сообщений: 123
  • Регистрация: 05 Сентябрь 12
  • Поблагодарили: 0
  • Пол:Мужчина
  • Город:Москва
  • Настоящее имя:Денис
  • Автомобиль:Газ 21и 1960г., Газ20 Победа 1950г., Заз 965б 1964г., Заз 968 1977г.
  • Отношение к аутентичности:Стремлюсь к 100% оригиналу

Отправлено 02 Октябрь 2013 - 17:22

Мои личные наблюдения касаемо провала на 124 карбах. Причина этому, имхо, изношенность поверхностей пары колодец-поршень ускорительного насоса. Объясняю механику процесса: двигатель работает на хх, начинаем давить на газ и по идее ускорительный насос должен сразу подать топливо в камеру, но из-за изношенности это происходит не сразу, то есть в начале открытия заслонки двигатель набирает обороты без ускорительного насоса - отсюда и провал. Как только насос включается в работу, двигатель подхватывает и развивает обороты дальше. Этот процесс очень хорошо наблюдается на заведенном двигателе при снятом фильтре сверху с помощью фонарика.

#68 Пользователь офлайн   ganstown Иконка

  • Верховный шаман :)
  • PipPipPipPipPip
  • Группа: Пользователи
  • Сообщений: 2 470
  • Регистрация: 17 Июль 13
  • Поблагодарили: 0
  • Пол:Мужчина
  • Город:Тюмень
  • Настоящее имя:Денис
  • Автомобиль:Газ 21Р
  • Возраст:37
  • Отношение к аутентичности:Незначительные изменения

Отправлено 02 Октябрь 2013 - 18:28

чуток не согласен, ускорительный насос не должен срабатывать при очень плавном нажатии причем практически минимальном когда вступает в работу только переходная система. Также работают и озоны и солексы

#69 Пользователь офлайн   BolshoyBrat Иконка

  • Постоянный участник
  • PipPipPip
  • Группа: Пользователи
  • Сообщений: 123
  • Регистрация: 05 Сентябрь 12
  • Поблагодарили: 0
  • Пол:Мужчина
  • Город:Москва
  • Настоящее имя:Денис
  • Автомобиль:Газ 21и 1960г., Газ20 Победа 1950г., Заз 965б 1964г., Заз 968 1977г.
  • Отношение к аутентичности:Стремлюсь к 100% оригиналу

Отправлено 02 Октябрь 2013 - 18:48

Согласен, так если плавно нажимать - то и провала нет. А вот порезче - сразу видно, как с запозданием срабатывает ускорительный.

#70 Пользователь офлайн   ganstown Иконка

  • Верховный шаман :)
  • PipPipPipPipPip
  • Группа: Пользователи
  • Сообщений: 2 470
  • Регистрация: 17 Июль 13
  • Поблагодарили: 0
  • Пол:Мужчина
  • Город:Тюмень
  • Настоящее имя:Денис
  • Автомобиль:Газ 21Р
  • Возраст:37
  • Отношение к аутентичности:Незначительные изменения

Отправлено 02 Октябрь 2013 - 19:11

в том то и дело что у меня был даже при плавном. А при езде еду на холостом и начинаю чуть нажимать как машина чахнет а чуть сильнее надавишь как машина как ракета устремляется, да даже при трогании было

#71 Пользователь офлайн   SEIKEN Иконка

  • Участник
  • PipPip
  • Группа: Пользователи
  • Сообщений: 19
  • Регистрация: 01 Июль 13
  • Поблагодарили: 0
  • Настоящее имя:Дмитрий
  • Автомобиль:ГАЗ-21 Волга
  • Телефон:8 913 940 4367
  • Возраст:49
  • Отношение к аутентичности:Стремлюсь к 100% оригиналу

Отправлено 05 Октябрь 2013 - 07:09

День добрый!

Тоже приобрел ГАЗ-21 1967г. в родном заводском состоянии. День отмывал карбюратор К-124, 2 дня искал ремкомплект, день выводил покоробленные плоскости под новые (К-131) картонные прокладки.
Собрал - готов поставить - но осталась четырехугольная шайба с отверстием - куда я её не поставил?

Запрос отправил в личку двум уважаемым форумчанам - жду ответа. Может кто знает?

Сообщение отредактировал SEIKEN: 05 Октябрь 2013 - 07:09


#72 Пользователь офлайн   SEIKEN Иконка

  • Участник
  • PipPip
  • Группа: Пользователи
  • Сообщений: 19
  • Регистрация: 01 Июль 13
  • Поблагодарили: 0
  • Настоящее имя:Дмитрий
  • Автомобиль:ГАЗ-21 Волга
  • Телефон:8 913 940 4367
  • Возраст:49
  • Отношение к аутентичности:Стремлюсь к 100% оригиналу

Отправлено 05 Октябрь 2013 - 08:34

Видимо в 124 данная шайба стояла ошибочно.

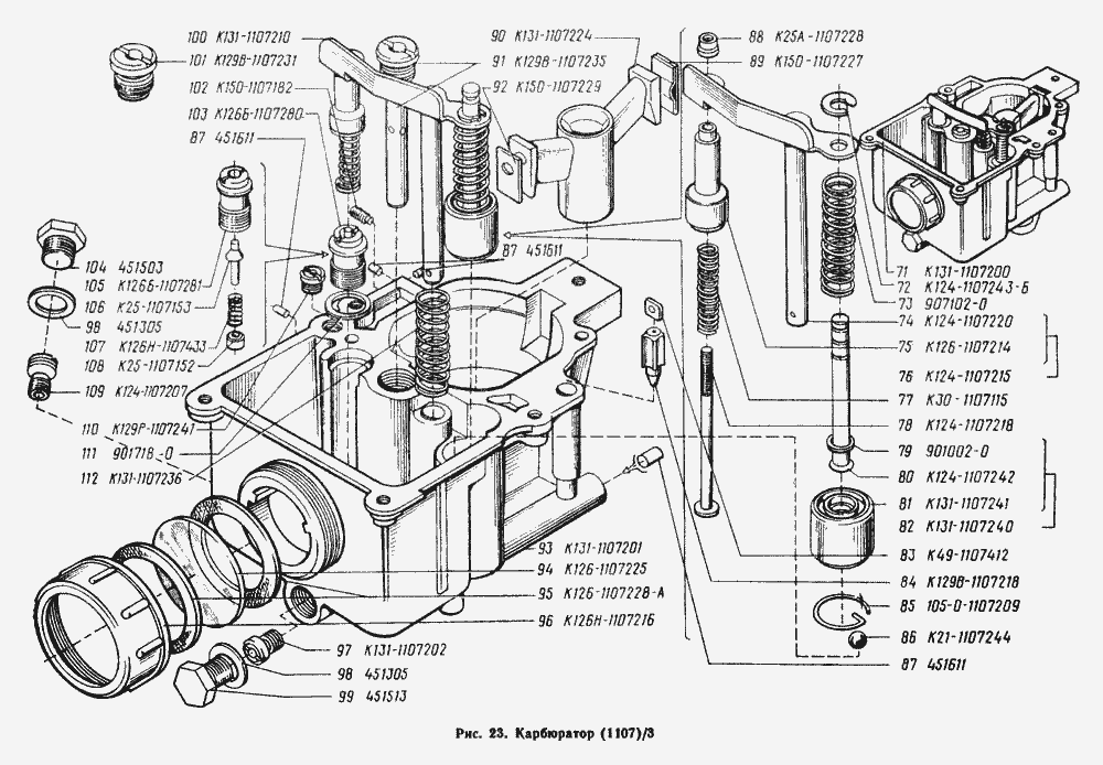
К-124
Моя ссылка

К-131
Моя ссылка

Шайба четырехугольная - замок клапана ускорительного насоса.
Видимо, в данном 124 это "колхоз" прежнего владельца, о чем свидетельствует факт замены местами клапанов нагнетательного и подачи топлива.

Буду благодарен за подсказки.

Сообщение отредактировал SEIKEN: 05 Октябрь 2013 - 08:52


#73 Пользователь офлайн   ganstown Иконка

  • Верховный шаман :)
  • PipPipPipPipPip
  • Группа: Пользователи
  • Сообщений: 2 470
  • Регистрация: 17 Июль 13
  • Поблагодарили: 0
  • Пол:Мужчина
  • Город:Тюмень
  • Настоящее имя:Денис
  • Автомобиль:Газ 21Р
  • Возраст:37
  • Отношение к аутентичности:Незначительные изменения

Отправлено 05 Октябрь 2013 - 09:26

если честно не увидел такой шайбы, если можно отметьте её на рисунке и выложите. У меня в ремкомплекте на 131 я не видел никакой шайбы. Правла ремкомплектов в продаже видел 2, один только прокладки, резиновое колечко и жиклеры без воздушного ГДС, а во втором полный набор включая иглы

#74 Пользователь офлайн   SEIKEN Иконка

  • Участник
  • PipPip
  • Группа: Пользователи
  • Сообщений: 19
  • Регистрация: 01 Июль 13
  • Поблагодарили: 0
  • Настоящее имя:Дмитрий
  • Автомобиль:ГАЗ-21 Волга
  • Телефон:8 913 940 4367
  • Возраст:49
  • Отношение к аутентичности:Стремлюсь к 100% оригиналу

Отправлено 05 Октябрь 2013 - 16:57

Вторая ссылка - позиция 83 в правом нижнем углу.

Сегодня поставил перебранный карбюратор - все нормально с уровнем топлива. А вот распределитель (1982г.в.) ходит ходуном - не закреплена пластина (с насечками +- 10 град) на блоке. Снял - диафрагма вакуум-корректора дырявая. В запасе новый распределитель 1968 г.в. Сейчас проверю зазор в контактной группе у нового распределителя - завтра поставлю. Нет стробоскопа - буду угол опережения выставлять на глазок. Если не заведу - буду искать цивилизованные методы решения проблемы.

Кстати - при всех косяках - Волга заводилась на горячую на "ура", ехала отлично, а вот заводить двигатель на холодную - была и остается проблема. Хотя иногда она заводилась с пол-оборота. Работаем!

(параллельно занимаюсь реанимацией замков багажника и дверей, демонтажем сигнализации и пр. нехорошими излишностями)

#75 Пользователь офлайн   ganstown Иконка

  • Верховный шаман :)
  • PipPipPipPipPip
  • Группа: Пользователи
  • Сообщений: 2 470
  • Регистрация: 17 Июль 13
  • Поблагодарили: 0
  • Пол:Мужчина
  • Город:Тюмень
  • Настоящее имя:Денис
  • Автомобиль:Газ 21Р
  • Возраст:37
  • Отношение к аутентичности:Незначительные изменения

Отправлено 05 Октябрь 2013 - 18:03

не такой деталюги под №83 в моем ремкомплекте не было, и у себя в карбе тоже не наблюдал
Я заметил у волги с этими карбами воздушная заслонка нужна только для запуска холодного двига, после запуска вытаскиваю ручной газ а заслонку оставляю на 1/3 всего и машина ровненько прогревается . Стробоскоп порой дает не лучшее зажигание, правда я по нему выставлял. Вот что хотел спросить, на шкиве отверстие это верхняя мертвая точка или таки момент зажигания?

#76 Пользователь офлайн   Mayor Иконка

  • Верховный шаман :)
  • PipPipPipPipPip
  • Группа: Пользователи
  • Сообщений: 9 409
  • Регистрация: 26 Ноябрь 04
  • Поблагодарили: 0
  • Пол:Мужчина
  • Город:Баку Азербайджан
  • Настоящее имя:Адиль Мехмандаров
  • Автомобиль:ГАЗ-21Р 1966/1966 г.
  • Возраст:60
  • Отношение к аутентичности:Сторонник модернизаций

Отправлено 05 Октябрь 2013 - 18:58

Деталь 83 действительно имеет место и препятстяует выпадению клапана как то присходит с К-126. Но обычно при разборках с этими карбами эту деталь да и клапан не вынимаем... ну разве в случае совершенно определенных косяков этого узла. Я лично ни разу не вынимал.

Та прокладка о которой я подумывал в личке - на ссылке за номером 92. Но она не квадратная а прямоугольная.

Ну и что касается холодного пуска, то действительно, от карба 124 и 129 с тарельчатыми клапанами в возд заслонке требовать четкого запуска в холод, на уровне обеспечиваемым карбами ВАЗ совершенно не следует. Они этого не могут. С ними именно приходится подлавливать манимулируя ногой, ручным газом и убиранием на некую величину возд заслонки. Мой Батя, царствие ему небесное, год не мог привыкнуть к тому, что с карбом ВАЗ поутру следует просто вытянуть подсос и повернуть ключ и не прикасаться более ни к чему.

Отверстие на шкиве - ВМТ. Поставив вал на него, вполне достаточно следя за прерывателем проворачивать распределитель до момента размыкания контактов НА ГЛАЗ. Можно конечно и лампочку, можно и стробоском, можно и магнетовский метод - зажать полоску газеты и момент размыкания ловить по отпусканию этой бумажки контактами . ВСЁ РАВНО потом после этого доводку производят после полного прогрева мотора на ходу, ориентируясь на детонацию и динамику. И полученное положение может ощутимо отличаться от меток. И это НОРМАЛЬНО.

Сообщение отредактировал Mayor: 05 Октябрь 2013 - 19:04

Вся жизнь с Волгой ГАЗ-21

#77 Пользователь офлайн   ganstown Иконка

  • Верховный шаман :)
  • PipPipPipPipPip
  • Группа: Пользователи
  • Сообщений: 2 470
  • Регистрация: 17 Июль 13
  • Поблагодарили: 0
  • Пол:Мужчина
  • Город:Тюмень
  • Настоящее имя:Денис
  • Автомобиль:Газ 21Р
  • Возраст:37
  • Отношение к аутентичности:Незначительные изменения

Отправлено 05 Октябрь 2013 - 19:31

нет ну если отверстие на шкиве это ВМТ то где метка зажигания. А иначе как выставлять даже по той самой лампе если изначально не видим правильный угол зажигания на шкиве? Ведь эта метка должна стоять до отверстия! Или по отверстию принимают как нулевая отметка а дальше пляшем от нее по ощущениям?

Сообщение отредактировал ganstown: 05 Октябрь 2013 - 19:32


#78 Пользователь офлайн   Mayor Иконка

  • Верховный шаман :)
  • PipPipPipPipPip
  • Группа: Пользователи
  • Сообщений: 9 409
  • Регистрация: 26 Ноябрь 04
  • Поблагодарили: 0
  • Пол:Мужчина
  • Город:Баку Азербайджан
  • Настоящее имя:Адиль Мехмандаров
  • Автомобиль:ГАЗ-21Р 1966/1966 г.
  • Возраст:60
  • Отношение к аутентичности:Сторонник модернизаций

Отправлено 05 Октябрь 2013 - 19:46

На моторе 21 была только эта метка. И именно от неё и пляшем. Как впрочем и со всеми остальными моторами, пусть и имеющими отдельные метки для установки зажигания.
Я повторюсь - если бы дело было только в метке, то распределитель отлили бы заодно с блоком и не позволили бы нам его крутить. УОЗ по метке - чистая геометрия, позволяющая просто мотор запустить. Оптимальное же положение может отличаться, и меняться в процессе эксплуатации ввиду смены топлива, климата, сезона, высоты над уровнем моря, состояния мотора, настроения и темперамента водителя и Бог знает чего ещё.
Вся жизнь с Волгой ГАЗ-21

#79 Пользователь офлайн   ganstown Иконка

  • Верховный шаман :)
  • PipPipPipPipPip
  • Группа: Пользователи
  • Сообщений: 2 470
  • Регистрация: 17 Июль 13
  • Поблагодарили: 0
  • Пол:Мужчина
  • Город:Тюмень
  • Настоящее имя:Денис
  • Автомобиль:Газ 21Р
  • Возраст:37
  • Отношение к аутентичности:Незначительные изменения

Отправлено 05 Октябрь 2013 - 20:02

ну понятно, просто на других машинах (ваз москвич) метка зажигания стоит в 10 градусах от ВМТ и от нее и пляшем это как бы и есть 0 а далее уже по обстоятельствам а на волге выходит по другому изначально имеем поздний угол

#80 Пользователь офлайн   Mayor Иконка

  • Верховный шаман :)
  • PipPipPipPipPip
  • Группа: Пользователи
  • Сообщений: 9 409
  • Регистрация: 26 Ноябрь 04
  • Поблагодарили: 0
  • Пол:Мужчина
  • Город:Баку Азербайджан
  • Настоящее имя:Адиль Мехмандаров
  • Автомобиль:ГАЗ-21Р 1966/1966 г.
  • Возраст:60
  • Отношение к аутентичности:Сторонник модернизаций

Отправлено 05 Октябрь 2013 - 21:24

Как бы это сказать.... Можно на моторах имеющих метки для зажигания выставить хоть по ним, хоть по ВМТ. В любом случае мотор заведется. Вследствии доводки на ходу найденное положение не будет зависить от какой из меток начали плясать.
Вся жизнь с Волгой ГАЗ-21

  • (9 Страниц)
  • +
  • « Первая
  • 2
  • 3
  • 4
  • 5
  • 6
  • Последняя »
  • Вы не можете создать новую тему
  • Вы не можете ответить в тему

1 человек читают эту тему
0 пользователей, 1 гостей, 0 скрытых пользователей